| Autor |
Nachricht |
M
Site Admin

Geschlecht: 
Anmeldungsdatum: 26.12.2002
Beiträge: 6721
Wohnort: Heidelberg

|
Verfasst am:
Fr März 30, 2012 2:19 pm Imagination2 AMT Standbox Vorstellung |
  |
Hallo, ich habe ja viel mit dem Laden zu tun und es gibt eine häufige Nachfrage nach bezahlbaren Sterolautsprechern.
Kein Wunder in einer Studentenstadt wo der Wohnraum immer unter 25qm ist.
Eine ideale Aufgabe für die I2 ...
Aber dann kommt die Ständerfrage, die meist +100 Euro extra kosten manchmal sogar 200 in Topqualität.
Also muss ich jetzt meine erste I2 Standbox mit AMT angehen.
Der Bausatzpreis wäre 800 Euro, das Paar.
Die Box wird etwas runder und gefälliger sein, tiefer runtergehen und mittels neuer Abstimmung und dem hervorragenden Hochtöner kommen wir in neue Dimensionen.
Hier erstmal eine Simulation wie die aussehen könnte:
Abmessungen aussen:
110cm h 20cm breit 35cm tief Sockelplatte 30 breit 40cm tief
Hier eine Innenansicht mit 2 Verstrebungsplatten. BR Kanal sollte hinten unten am Boden sein, 22 cm tief und 5cm hoch (bei 15,6cm Innenbreite, = 22mm MDF). Als BR können auch 2 vertikal übereinander angeordnete 70mm BR Rohre dienen,die wir auf Wunsch mitliefern.
vorab einige technische Daten:
25 Hz -25kHz
100/200 Watt 4 Ohm Impedanz (minimum 3,3 Ohm)
90dB (2,8V) ca 3-4 dB leiser als die Standard I2!
Vertikaler Abstrahlwinkel +-10° +-3dB
Zuletzt bearbeitet von M am So Jul 01, 2012 9:29 pm, insgesamt 5-mal bearbeitet
|
|
   |
 |
rusul
junior member

Geschlecht: 
Alter: 53
Anmeldungsdatum: 30.07.2008
Beiträge: 42

|
Verfasst am:
Mo Apr 02, 2012 2:45 pm (Kein Titel) |
  |
Hi Manfred,
wenn diese Variante der I2 ideal für 25qm Räume ist, denke ich doch gleich mal an mein Heimkino welches ich am Ende das Jahres planen und bauen will. Denn ab und an will ich da unten auch Stereo Sound genießen.
Was wären den die theoretischen Unterschiede zur Standard I2?
_________________ Gruß Richie
|
|
  |
 |
M
Site Admin

Geschlecht: 
Anmeldungsdatum: 26.12.2002
Beiträge: 6721
Wohnort: Heidelberg

|
Verfasst am:
Mo Apr 02, 2012 5:38 pm (Kein Titel) |
  |
Kannst du in 1-2 Wochen bei uns im Laden hören. Der AMT löst etwas mehr auf, er klingt auch "weicher". Die Prototypengehäuse sind schon in Auftrag gegeben.
|
|
   |
 |
bumble
Stammgast

Anmeldungsdatum: 02.01.2012
Beiträge: 117
Wohnort: Bad Dürkheim

|
Verfasst am:
Di Apr 03, 2012 8:15 am (Kein Titel) |
  |
Dann warte ich doch noch bis Mitte April bis ich zum Probehören vorbei komme.
Die Imag 2 AMT möchte ich unbedingt hören
_________________ Grüße aus der Pfalz
Stephen
|
|
  |
 |
Koli
neu hier ;)
Geschlecht: 
Anmeldungsdatum: 06.01.2009
Beiträge: 9

|
Verfasst am:
Di Apr 03, 2012 4:02 pm (Kein Titel) |
  |
Schöne Sache. Gerade habe ich mir für meine „alten“ I2 in der Regalversion die Standgehäuse bauen lassen. Genau aus oben genannten Gründen. Ich kann die Argumentation voll nachvollziehen und wenn ich nicht schon ein schönes Paar hätte, dann wäre das eine gute Option.
|
|
  |
 |
packman
Stammgast

Anmeldungsdatum: 26.08.2005
Beiträge: 236
Wohnort: 49324 Melle

|
Verfasst am:
Di Apr 03, 2012 8:35 pm (Kein Titel) |
  |
Hi Manfred,
kannst man(n) die I2 auf AMT umrüsten? Irgendwann hast du dazu schon mal was verlauten lassen. Ober wo nur?
Gruß Uwe
_________________ Stille ist auch eine Art von Musik,
man muss nur lernen Ihr zuzuhören.
|
|
  |
 |
M
Site Admin

Geschlecht: 
Anmeldungsdatum: 26.12.2002
Beiträge: 6721
Wohnort: Heidelberg

|
Verfasst am:
Mi Apr 04, 2012 9:18 am (Kein Titel) |
  |
ja könnte man, wird aber aufwändig.
|
|
   |
 |
packman
Stammgast

Anmeldungsdatum: 26.08.2005
Beiträge: 236
Wohnort: 49324 Melle

|
Verfasst am:
Do Apr 05, 2012 10:37 am (Kein Titel) |
  |
OK
Adapterplatte+Weiche= ? €
Adapterplatte beim Dreher drehen lassen?!
Gruß Uwe
_________________ Stille ist auch eine Art von Musik,
man muss nur lernen Ihr zuzuhören.
|
|
  |
 |
M
Site Admin

Geschlecht: 
Anmeldungsdatum: 26.12.2002
Beiträge: 6721
Wohnort: Heidelberg

|
Verfasst am:
Do Apr 05, 2012 11:15 pm (Kein Titel) |
  |
dann stimmen trotzdem die Abstände nicht...
Das ist also nur bedingt empfehlenswert. Klar es ist mindestens 95% der neuen originalen I2 AMT Standversion, aber wartet doch erstmal die Kritiken der User ab...
Kann ja sein das es auch Geschmacksache ist und vor allem nur bei heller Raumakustik und straker Höhenwiedergabe eine Alternative.
Dumpfe Aufnahmen profitieren von der original I2 Abstimmung.
Die Adapter wird bestimmt der Markus mal auf der CNC machen.
|
|
   |
 |
packman
Stammgast

Anmeldungsdatum: 26.08.2005
Beiträge: 236
Wohnort: 49324 Melle

|
Verfasst am:
Sa Apr 07, 2012 11:24 am (Kein Titel) |
  |
OK
_________________ Stille ist auch eine Art von Musik,
man muss nur lernen Ihr zuzuhören.
|
|
  |
 |
M
Site Admin

Geschlecht: 
Anmeldungsdatum: 26.12.2002
Beiträge: 6721
Wohnort: Heidelberg

|
Verfasst am:
Mo Mai 21, 2012 5:14 pm (Kein Titel) |
  |
hier jetzt der neueste Stand der Entwicklung:
ich habe mehrfach nachgebessert, und das Klangerlebnis ziemlich weit weg von der I2 angelegt.
Die aktuelle Version ist aber auch deutlich leiser (also weniger Wirkungsgrad, man braucht mindestens einen 50 Watt Verstärker).
Der Klang ist jetzt eher als zurückhaltend in den oberen Mitten zu bezeichnen, die Bässe und vor allem Tiefbässe kommen deutlich besser zur Geltung. Das wäre eine reine Stereo Version, ähnlich abgestimmt wie die Atmosphäre Konzepte.
Der Hochtöner ist sehr zurückhaltend und vor allem bei der Feinzeichnung und Durchsichtigkeit der Kalotte überlegen.
Die Übernahmefrequenz ist jetzt bei knapp 2,8 kHz.
Ich bin gespannt auf die ersten Hörversuche, ich hab jetzt schon unzählige Stunden mit Hörvergleichen gebracht und mich bewusst immer weiter vom "Original" wegbewegt, da ich glaube, das sind total unterschiedliche "Geschmäcker" und Zielgruppen.
Leider kann ich bei mir nur Regalversionen der I2 mit der neuen Standversion vergleichen, was die I2 Standard im Tiefbass benachteiligt.
|
|
   |
 |
Krabbenkoenig
Stammgast

Geschlecht: 
Alter: 41
Anmeldungsdatum: 18.07.2003
Beiträge: 267
Wohnort: Bonn

|
Verfasst am:
Mo Mai 21, 2012 7:11 pm (Kein Titel) |
  |
Regalversion wirds davon nicht geben, hm?
|
|
   |
 |
M
Site Admin

Geschlecht: 
Anmeldungsdatum: 26.12.2002
Beiträge: 6721
Wohnort: Heidelberg

|
Verfasst am:
Mo Mai 21, 2012 10:31 pm (Kein Titel) |
  |
von mir nicht, wenn ein Kunde das Gehäuse auf eigenes Rsiko umbaut, ist das sein eigenes Risko. Da der Reflexkanal unten am Boden mittels 2er Rohre realisiert wird, ist das eben auch ein weiterer Grund für den "fetten" Bass bei 30 Hz.
Das ist ein bischen in die Trickkiste gegriffen... um, wie gesagt, mal was ganz neues zu konzipieren.
Der Unterschied ist schon sehr deutlich, in der aktuellen Variante.
|
|
   |
 |
duerg
junior member
Geschlecht: 
Alter: 57
Anmeldungsdatum: 17.11.2009
Beiträge: 49

|
Verfasst am:
Do Mai 24, 2012 1:56 am (Kein Titel) |
  |
« Krabbenkoenig » hat folgendes geschrieben:
Regalversion wirds davon nicht geben, hm?
so was ähnliches besitze ich
Bei mir ist das Gehäuse 35 breit und nur 25 tief...
BR- Kanal geht zur Seite weg.
Abgestimmt von Manfred, auf meine Verantwortung.
Gerne vorbei kommen in Nordhessen :)
Gruß Duerg
PS: hier runterscrollen: http://www.audiovideoforum.de/viewtopic.php?p=41697#41697
|
|
   |
 |
Onkel_Phil
Stammgast

Geschlecht: 
Anmeldungsdatum: 17.01.2012
Beiträge: 109
Wohnort: Berlin

|
Verfasst am:
So Jun 10, 2012 2:56 pm (Kein Titel) |
  |
Hallo,
diese Box könnte mich interessieren!
gibt es hierzu eigentlich bereits eine Bauplanempfehlung?
(mit Bemaßung?)
Hintergund: ich würde gerne erst die Gehäuse bauen, bevor ich die Innereien erstehe.
Einsatzort wäre der PC-Arbeitsplatz. Würden dort zwei alte Intus ersetzen.
Die Boxen würden aber ziemlich dicht an der Wand stehen, daher meine Frage, gibt es eine Option mit "Bassreflex nach vorne"?
Muss mal mit meinem Vermieter über die Möglichkeit eines Werkraumes reden...
Viele Grüße aus Berlin
Phil
|
|
  |
 |
M
Site Admin

Geschlecht: 
Anmeldungsdatum: 26.12.2002
Beiträge: 6721
Wohnort: Heidelberg

|
Verfasst am:
So Jun 10, 2012 6:06 pm (Kein Titel) |
  |
BR Rohr nach vorne ist kein Problem, ich mach das halt aus optischen Gründen nicht gerne und nehme die zusätzliche Ladung bei wandnaher Aufstellung gerne in Kauf.
Die Bemaßung kann ich an die Simulation mal anfügen, die Box ist ja recht unkompliziert.
Die endgültige Abstimmung hat am Greitag auch wieder ein Forumsmitglied begeistert, der sogar mit 2x 13 K Subwoofer gehört hatte...
Am Ende hab ich dann die Baßendstufe abgeschaltet, jetzt hör mal wie das ohne Sub klingt...
Vielleicht schreibt der Bumble mal ein statement zur I2 AMT Standbox...
|
|
   |
 |
Drago06
neu hier ;)

Geschlecht: 
Alter: 63
Anmeldungsdatum: 15.08.2010
Beiträge: 3
Wohnort: Maxdorf

|
Verfasst am:
Mo Jun 11, 2012 9:10 am (Kein Titel) |
  |
Hallo,
gibt es eigentlich schon Bilder von einer fertigen I2 AMT Standbox?
Würde ich gerne mal sehen, später dann auch mal hören
Gruß Volker
|
|
  |
 |
bumble
Stammgast

Anmeldungsdatum: 02.01.2012
Beiträge: 117
Wohnort: Bad Dürkheim

|
Verfasst am:
Mo Jun 11, 2012 9:29 am (Kein Titel) |
  |
« M » hat folgendes geschrieben:
Die endgültige Abstimmung hat am Greitag auch wieder ein Forumsmitglied begeistert, der sogar mit 2x 13 K Subwoofer gehört hatte...
Am Ende hab ich dann die Baßendstufe abgeschaltet, jetzt hör mal wie das ohne Sub klingt...
Vielleicht schreibt der Bumble mal ein statement zur I2 AMT Standbox...
Gerne
Wir haben am Freitag die I2 AMT Standbox zusammen mit 2x 13k gehört weil ich Mannfred gebeten hatte mir den Sound einer I3 HE AMT in etwa zu simulieren.
Am Ende liefen dann nur noch die I2 AMT Standboxen mit der CD "Come to Find" von Doug MacLeod.
Die Box klingt dabei völlig entspannt und unaufdringlich, der Hochtöner bringt feine Details der Aufnahme rüber die meine Focal zuhause leider verschweigen bzw. nur andeuten.
Der superrelaxte unaufgeregte Klang erinnert doch sehr stark an die Atmosphäre 1, die ich vom ersten Hörtermin her noch sehr positiv in Erinnerung hatte. Dafür dürfte in erster Linie der hervorragende AMT Hochtöner verantwortlich sein.
Den Hochtöner würde ich als "Allrounder" bezeichnen, da klingt einfach alles gut was wir drüber gehört haben, anders als das RAAL-Bändchen, das einige meiner Aufnahmen förmlich in der Luft zerrissen hat, sprich aufnahmetechnische Mängel schonunglos aufdeckt, da ist der AMT viel gutmütiger ohne irgendwas zu verschweigen.
Verglichen mit der "normalen" I2 klingt die I2 AMT etwas leiser und weniger "scharf", man möge mir den Ausdruck verzeihen, besser kann ich es nicht beschreiben.
Ich glaube ich hab klanglich genau das gefunden was ich in meinem Beitrag"würdiger Nachfolger..." gesucht habe.
Jetzt stellt sich nur die Frage ob ich die I2 AMT Standbox mit einem 13k ergänze oder vielleicht in Richtung I3 ECO AMT gehe
Es wird also nochmal nen Hörtermin geben bis ich mir endgültig sicher bin.
Dass es ne Box von Manfred wird ist allerdings sicher, der Klang der I2 AMT hat mich restlos überzeugt.
Gruß
Stephen
Zuletzt bearbeitet von bumble am Mo Jun 11, 2012 6:07 pm, insgesamt einmal bearbeitet
|
|
  |
 |
naimhh
senior member

Geschlecht: 
Alter: 48
Anmeldungsdatum: 29.06.2011
Beiträge: 97

|
Verfasst am:
Mo Jun 11, 2012 10:40 am (Kein Titel) |
  |
[quote="bumble"]
« M » hat folgendes geschrieben:
Die Box klingt dabei völlig entspannt und unaufdringlich, der Hochtöner bringt feine Details der Aufnahme rüber die meine Focal zuhause leider verschweigen bzw. nur andeuten.
Welche Focal hast Du denn zu Hause stehen?
_________________ Schöne Grüße
Alexander
|
|
  |
 |
bumble
Stammgast

Anmeldungsdatum: 02.01.2012
Beiträge: 117
Wohnort: Bad Dürkheim

|
Verfasst am:
Mo Jun 11, 2012 10:54 am (Kein Titel) |
  |
« naimhh » hat folgendes geschrieben:
Welche Focal hast Du denn zu Hause stehen?
Focal Success, was jetzt allerdings nicht als Maßstab dienen sollte
|
|
  |
 |
M
Site Admin

Geschlecht: 
Anmeldungsdatum: 26.12.2002
Beiträge: 6721
Wohnort: Heidelberg

|
Verfasst am:
Mo Jun 11, 2012 1:14 pm (Kein Titel) |
  |
wer die I2 AMT hören will sollte sich beeilen, unser Vorführpaar ist verkauft.
Ich mach danach eine neue, aber weniger "edle" Variante, die Box aktuell ist in hochglanz lackiert. Das heisst, ab Ende dieser Woche ist die Box ca 2 Wochen nicht zu hören.
|
|
   |
 |
mrsimpson
Stammgast

Anmeldungsdatum: 04.08.2005
Beiträge: 468
Wohnort: Lorsch

|
Verfasst am:
Di Jun 12, 2012 9:16 am (Kein Titel) |
  |
na, das klingt doch so wie erhofft/erwartet. Da muss ich dann doch auch einmal vorbei schauen.
Zitat:
Der superrelaxte unaufgeregte Klang erinnert doch sehr stark an die Atmosphäre 1, die ich vom ersten Hörtermin her noch sehr positiv in Erinnerung hatte.
da fragt sich der Atmosphären-Fan doch: Warum wird es dann keine A1? In wiefern klingt die I2 anders? Ich finde, dass der tiefe, runde Bass der A1 sehr gut zu dem Hochtöner passt, daher interessiert mich der Vergleich besonders.
Viele Grüße,
Oliver
_________________ Mich (oder einen anderen User) ignorieren
Netikette
|
|
  |
 |
bumble
Stammgast

Anmeldungsdatum: 02.01.2012
Beiträge: 117
Wohnort: Bad Dürkheim

|
Verfasst am:
Di Jun 12, 2012 10:55 am (Kein Titel) |
  |
« mrsimpson » hat folgendes geschrieben:
da fragt sich der Atmosphären-Fan doch: Warum wird es dann keine A1?
Viele Grüße,
Oliver
Läßt sich nur mit meinem etwas ungewöhnlichen, leicht gestörten Musikgeschmack erklären
Ich hör so unterschiedliches Zeug, das läßt sich schwer erklären, hör halt auch öfter mal richtig laut mit ordentlich bums, deshalb auch grade die Überlegung die I2 AMT Standbox mit nem 13k zu ergänzen oder mit 2 TMT wie in der I3 ECO.
Ein Atmoshären Projekt so wie ichs mir für mich vorstelle würde meinen finanziellen Rahmen sprengen.
Gruß
Stephen
|
|
  |
 |
mrsimpson
Stammgast

Anmeldungsdatum: 04.08.2005
Beiträge: 468
Wohnort: Lorsch

|
Verfasst am:
Di Jun 12, 2012 2:24 pm (Kein Titel) |
  |
|
  |
 |
M
Site Admin

Geschlecht: 
Anmeldungsdatum: 26.12.2002
Beiträge: 6721
Wohnort: Heidelberg

|
Verfasst am:
Di Jun 12, 2012 4:39 pm (Kein Titel) |
  |
die I2AMT kann mehr Endlautstärke weil ja 2 Treiber locker 100 Watt umsetzen können.
Die A1 ist da etwas limitiert und eher im Bereich unter 50 Watt zuhause.
Für den Stephen passt das besser, da er variabler mit dem Konzept ist, und eben wie er es sagt, auch mal richtig abrocken kann.
|
|
   |
 |
Onkel_Phil
Stammgast

Geschlecht: 
Anmeldungsdatum: 17.01.2012
Beiträge: 109
Wohnort: Berlin

|
Verfasst am:
So Jun 17, 2012 5:35 pm (Kein Titel) |
  |
Hallo,
war "leider" ne Woche im Urlaub und konnte daher nicht schon ehr reagieren.
Erst einmal vielen Dank für den Höreindruck. Damit kann ich was anfangen (denke ich zumindest).
@ Mr. M:
Ich hab mal gehört, dass man die BR nicht so dicht an die Wand stellen soll... nun (neu!): macht nix, gibt sogar eine extra Ladung!
Ich nehme an eine stärkere Bassbetonung?
Also mein Aufstellabstand wäre ca. 15 cm zur Rückwand.
Ich beschreib mal die Raumsituation:
Schreibtisch mit 72 cm Höhe, 1,60 m Breite und 80 cm Tiefe,
rechts und links stehen zurzeit die alten Intus (Höhe 1 m, Breite 23 cm, Tiefe 34 cm),
die Schallfront ist ca. auf der Hälfte der Schreibtischtiefe.
Nun die Frage:
BR hinten belassen?
Hab ein bischen Angst, dass dann die Wand zum Nachbarn etwas zu sehr zur Infraschallübertragung neigt.
Was sagt der Chefentwickler?
Grüße aus Berlin
Philipp
-------------------------
Nachgefragt:
Gibt es schon einen Geäusebauplan?
Wie sieht es mit der Chassibemaßung aus?
Bassreflex besser als Kanal oder mit Rohren?
Persönlich fände ich wohl nach vorne, unten als viereck-Kanal optisch besser.
(bin drauf und dran einen Werkraum im Keller zu erhalten!)
Gruß
Philipp
|
|
  |
 |
Onkel_Phil
Stammgast

Geschlecht: 
Anmeldungsdatum: 17.01.2012
Beiträge: 109
Wohnort: Berlin

|
Verfasst am:
So Jul 01, 2012 9:46 am (Kein Titel) |
  |
Tach auch,
ich bins nochmal....
so langsam bin ich echt gewillt diese Box "relativ blind" zu probieren.
Werkzeug und ein bischen skill ist vorhanden. Eine Platz im Werkraum im Keller kann ich auch demnächst haben (Vermieter sei Dank).
Habe mir jetzt auch einen Fräszirkel bestellt (Oberfräse ist vorhanden...).
Bevor ich aber Geld für die Chassis ausgebe werde ich erstmal mit dem Fräszirkel üben.... MDF sollte nun nicht so schwer zu bearbeiten sein,
wollte mit der Frontplatte anfangen.
Eine wichtige Frage: Werden die Chassis versenkt, wenn ja wie tief?
Gibt es einen Plan für die Einbaumaße der Chassis?
In der "Suche" bin ich auf folgende AMT Infos gestoßen:
Zitit M:
der HT hat einen Aussendurchmesser von 104,2 mm
AMT Flansch ist sehr dick (massiv ALUGUSS) also 5,5 mm tief einlassen und das Loch innen ca 70 mm rund.
Zitat mrsimpson:
der Flansch des AMT eher 6.5mm dick
Für die anderen beiden Chassis gilt:
Loch innen 114 mm, versenkter Flansch 142 mm und 6 mm einsenken??
Stellt sich noch die Frage nach dem Abstand Mittelpunkt-Mittelpunkt.
so dicht wie möglich?
wollte ca. 5 mm MDF zwischen den Außenkanten der Chassis stehen lassen, wäre das OK?
Viele Fragen und ein bischen gierig.....
Viele Grüße
Philipp
|
|
  |
 |
M
Site Admin

Geschlecht: 
Anmeldungsdatum: 26.12.2002
Beiträge: 6721
Wohnort: Heidelberg

|
Verfasst am:
So Jul 01, 2012 9:27 pm (Kein Titel) |
  |
die Bässe 179,5mm aussen max 5mm tief einlassen, Loch 144
hier nochmal Chassisdetails für den Bass
AMT-HT
104,2mm rund aussen, 70mm Loch Durchmesser,
da ist ein dicker Schaumstoff drunter deshalb 6,5mm tief fräsendamits bündig zur Oberfläche wird.
|
|
   |
 |
Onkel_Phil
Stammgast

Geschlecht: 
Anmeldungsdatum: 17.01.2012
Beiträge: 109
Wohnort: Berlin

|
Verfasst am:
Sa Jul 14, 2012 5:54 pm (Kein Titel) |
  |
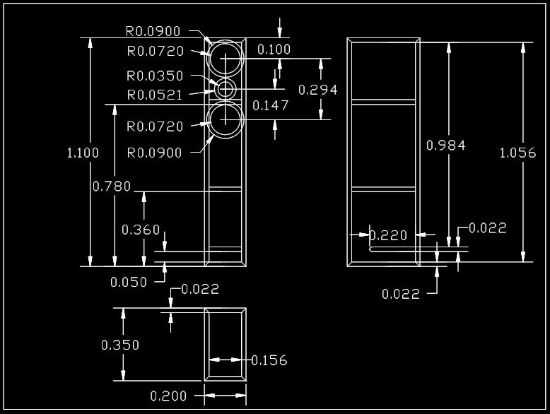
Moin,
so ich hab mich mal getraut und eine Bauskizze für eine I2AMT erstellt:
(mal sehn was der Chef dazu sagt...)
Meine Frage zielt auf die Zwischenböden (die natürlich einen Druchbruch haben) und ihre Einbauhöhe.
http://www.audiovideoforum.de/album_pic.php?pic_id=676
Kritik und Anregungen sind natürlich willkommen, aber bedenkt, ich bin kein CAD-Mann! (die dwg Datei wurde mit DraftSight Freeversion erstellt)
Viele Grüße
Philipp
|
|
  |
 |
Scorpion
neu hier ;)
Anmeldungsdatum: 09.01.2011
Beiträge: 1

|
Verfasst am:
So Jul 22, 2012 2:39 pm (Kein Titel) |
  |
Hallo Forenmitglieder,
ich lese seit geraumer Zeit bei den neuen I2 AMT mit. Ich habe bisher ein Paar I1 hier stehen und wollte die ergänzen mit I2s. Hauptsächlich höre ich damit Musik in Stereo aber ab und an sollten sie auch mal fürs Heimkino herhalten. Dabei wollte ich eigentlich die I1s nach hinten stellen und die I2 vorn hin. Nun meine Frage: sind die I2 AMT dafür auch geeignet oder soll ich lieber auf die älteren I2 zurückgreifen?
|
|
  |
 |
|
|
[ Page generation time: 0.0495s (PHP: 80% - SQL: 20%) | SQL queries: 14 | GZIP enabled | Debug on ]