| Autor |
Nachricht |
Abholzer
junior member

Geschlecht: 
Alter: 38
Anmeldungsdatum: 30.07.2013
Beiträge: 21

|
Verfasst am:
Fr Aug 02, 2013 10:24 pm Frage zu Gehäusebau der Imagination 2 |
  |
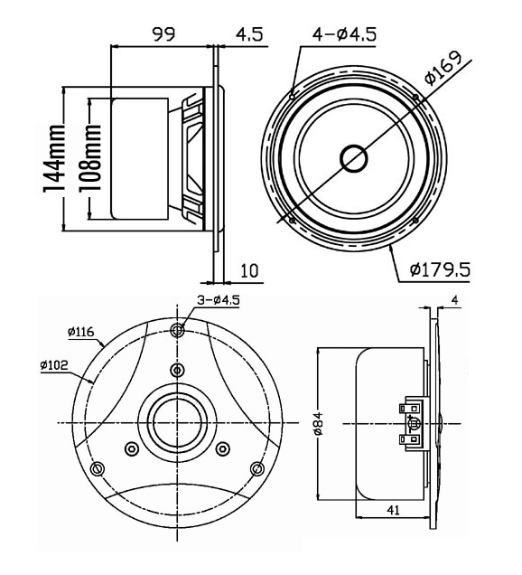
Hallo Leute, bin etwas verwirrt, in Manfreds Plan (in dem Bild) steht drin das dass Loch für die Tieftöner 144mm sein muss.
In der PDF stehen 140 mm drin
In Der .DWT Datei, also der CAD Zeichnung stehen aber auch nur 140mm drin.
Was ist denn jetzt richtig? Habe die Treiber noch nicht hier und wollte das Gehäuse schon einmal in Auftrag geben lassen, das ich dann wenn alles da ist sofort loslegen kann.
In der Zeichnung vom Treiber steht das der 144mm hat, aber Manfred schreibt er hat schon +2mm Toleranz bei dem Bass Loch dazugegeben, wenn man ne cnc hat, kann man mit 142 bohren.... hä? wenn der Treiber doch 144 ist, dann geht der doch nicht rein!
Pls help.
Wollte Montag das Ding in mache bringen.
Guck ich mir den falschen Plan an?
MFG Markus
Zuletzt bearbeitet von Abholzer am Fr Aug 02, 2013 10:57 pm, insgesamt einmal bearbeitet
|
|
  |
 |
Abholzer
junior member

Geschlecht: 
Alter: 38
Anmeldungsdatum: 30.07.2013
Beiträge: 21

|
Verfasst am:
Fr Aug 02, 2013 10:56 pm (Kein Titel) |
  |
Außerdem steht auf dem einen Plan 300 mm Tiefe, auf dem anderen 350.
Ich gehe mal davon aus das 350 der richtige Wert ist, aber hat evtl einer von euch eine korrekte Version die ich meinem Tischler in die Hand drücken kann?
|
|
  |
 |
Onkel_Phil
Stammgast

Geschlecht: 
Anmeldungsdatum: 17.01.2012
Beiträge: 109
Wohnort: Berlin

|
Verfasst am:
Sa Aug 03, 2013 7:16 am (Kein Titel) |
  |
Hallo Abholzer,
bei genauem Studium deiner Fragen denke ich, dass du folgende Infos brauchst:
Die gelben Chassis für die I2 brauchen ein Einbauloch von 145 mm, dann sitzt der Flansch aber auf der Frontplatte auf. Willst du den Flansch einsenken, dann muss du natürlich eine Einsenkung - 4,5 mm- fräsen (Außendurchmesser = 180 mm).
Einen Plan für eine I2 habe ich leider nicht.
Viele Grüße
Philipp
|
|
  |
 |
Marko
Stammgast

Anmeldungsdatum: 22.12.2003
Beiträge: 1216
Wohnort: Westerwald

|
Verfasst am:
Sa Aug 03, 2013 4:08 pm (Kein Titel) |
  |
Es gibt zwei Gehäusevarianten der Regalversion.
Eine mit 300mm und eine mit 350mm Tiefe.
Wenn sowieso Subs zum Einsatz kommen kannst Du die kleine Variante bauen.
Hast Du keine Platzprobleme und hörst auch mal Stereo ohne Sub,
dann bau Dir die 350mm Version.
Die spielt etwas tiefer runter.
Der Treiber hat eher 140mm. Dann muss aber schon genau gearbeitet werden.
Deshalb gibt Manfred eher etwas mehr an.
Die Auflage des Chassis ist dafür breit genug.
_________________ Gruß Marko
|
|
   |
 |
Abholzer
junior member

Geschlecht: 
Alter: 38
Anmeldungsdatum: 30.07.2013
Beiträge: 21

|
Verfasst am:
So Aug 04, 2013 10:37 am (Kein Titel) |
  |
Äh, ja cool, danke.
Dann mach ich das Loch für den Tieftöner 144 bzw 142 mit Cnc.
Besten Dank. Cool, es wird endlich wahr. Kann's kaum erwarten, hab momentan gar keine Ls.
Bin total amputiert.
|
|
  |
 |
Onkel_Phil
Stammgast

Geschlecht: 
Anmeldungsdatum: 17.01.2012
Beiträge: 109
Wohnort: Berlin

|
Verfasst am:
So Aug 04, 2013 8:24 pm (Kein Titel) |
  |
Moin,
hab da noch was gefunden:
Damit sollte wohl alles geklärt sein?
Viele Grüße aus Berlin
Philipp
|
|
  |
 |
Abholzer
junior member

Geschlecht: 
Alter: 38
Anmeldungsdatum: 30.07.2013
Beiträge: 21

|
Verfasst am:
So Aug 04, 2013 8:32 pm (Kein Titel) |
  |
Ja das hatte ich mir schon ausgedruckt, trotzdem danke. Nur steht in der Zeichnung dass das Basschassis einen Durchmesser von 144 mm hat, und Manfred schreibt in dem Thread in dem auch diese Zeichnung zu finden ist, das das Loch für den Basslautsprecher, bzw für beide, 144 mm sein soll, wobei er schon 4 mm Toleranz wegen Lackieren und so dazugerechnet hat. Das heißt ja ich könnte ein 141 mm Loch machen können wenn ich die Box nicht Lackiere. Aber laut der oberen Zeichnung hat Der Bass LS ja 144 mm......
Also kann ein Maß nicht stimmen.
|
|
  |
 |
Onkel_Phil
Stammgast

Geschlecht: 
Anmeldungsdatum: 17.01.2012
Beiträge: 109
Wohnort: Berlin

|
Verfasst am:
So Aug 04, 2013 8:46 pm (Kein Titel) |
  |
Nene,
mach das nicht.
Ich hatte bei meinen Bau-Versuchen immer ein Loch mit 144 mm Durchmesser gemacht. Das ist OK, dann spannt da nix.
Gruß
|
|
  |
 |
Abholzer
junior member

Geschlecht: 
Alter: 38
Anmeldungsdatum: 30.07.2013
Beiträge: 21

|
Verfasst am:
So Aug 04, 2013 9:30 pm (Kein Titel) |
  |
Super, danke, dann mach ich's so.
|
|
  |
 |
|
|
[ Page generation time: 0.0506s (PHP: 63% - SQL: 37%) | SQL queries: 14 | GZIP enabled | Debug on ]